
一、金屬管浮子流量計概述
ZHLZ系列金屬管浮子流量計又稱金屬浮子流量計、金屬管轉子流量計和金屬轉子流量計。采用可變面積式測量原理,適用于測量液體、氣體的體積流量。金屬管浮子流量計全金屬結構,有指針型、電遠傳型、耐腐型、高壓型、夾套型、防爆型。具有0~10mA,4~20mA的標準模擬量信號輸出和現場指示,累積,數字通訊,現場修改測量參數,不同的供電方式功能,帶有磁過濾器和特殊規格品種。廣泛應用于石油、化工、發電、制藥、食品、水處理等復雜、惡劣環境條件及各種介質條件的流量測量過程中。
金屬管浮子流量計適用于小口徑和低流速介質流量測量;工作可靠,維護量小,壽命長;金屬管浮子流量計對于直管段要求不高;較寬的流量比10:1;雙行大液晶顯示,可選現場瞬時/累計流量顯示,可帶背光單軸靈敏指示;非接觸磁耦合傳動;金屬管浮子流量計全金屬結構,適于高溫、高壓和強腐蝕性介質;可用于易燃、易爆危險場合;可選二線制、電池、交流供電方式;多參數標定功能;金屬管浮子流量計帶有數據恢復,數據備份及掉電保護功能.
二、金屬管浮子流量計工作原理:
金屬管浮子流量計的浮子在測量管中隨著流量的變化,將浮子向上移動在某一位置浮子所受的浮力與浮子重力達到平衡。此時浮子與孔板(或錐管)間的流通環隙面積保持一定環隙面積與浮子的上升高度成正比,即浮子在測量管中上升的位置代表流量的大小,變化浮子的位置由內部磁鐵傳輸到外部的指示器,使指示器正確地指示此時的流量值。這就使得指示器殼體不和測量管直接接觸,因此,即使安裝限位開關或變送器,儀表可用于高溫,高壓工作條件下。但是金屬管浮子流量計不適用于流體瞬間較大以及脈沖較大的紊流場合下的流體測量(原因是瞬間放大不穩定的流體容易將浮子沖到頂部以及引起轉角結構的問題)。
三、金屬管浮子流量計特點:
1、堅固的全金屬結構設計型浮子流量計;
2、采用獨立的mnodular概念設計的測量管指示器;
3、可選擇不銹鋼、以及不銹鋼襯PTFE材料測量系統;
4、低壓力損失設計;
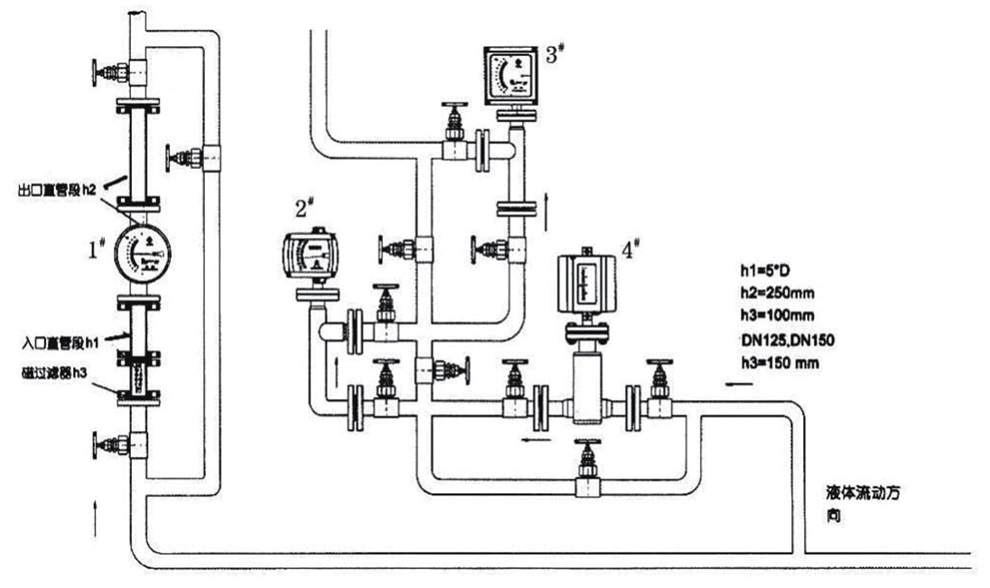
5、短行程、小型結構設計、儀表標準總高度250mm;
6、磁性耦合結構確保數據傳輸、信號更加穩定;
7、保溫或伴熱夾套;
8、垂直、水平、各種安裝方式更適合不同使用場合;
四、金屬管浮子流量計技術參數:
測量范圍:水(20℃)1~200000L/h
空氣(20℃,0.1013MPa)0.03~4000m³/h
參見流量表,特殊流量可訂制
量程比:標準型10:1 特殊型20:1
精度: 標準型1.5級 特殊型1.0級
壓力等級:標準型:DN15~DN50 4.0MPa DN80~DN200 1.6MPa
夾套的壓力等級為1.6MPa
特殊型在選型和訂貨前應與工廠協商
安裝方式:垂直安裝;水平安裝(無卡盤連接、無襯四氟型)
壓力損失:7kPa~70kPa
介質溫度:標準型:-20℃~+200℃:PTFE:0℃~85℃
高溫型:最高可達300℃
介質粘度:DN15: <5mPa.s(F15.1~F15.3)
<30mPa.s(F15.4~F15.8)
DN25: <250mPa.s
DN50-DN150: <300mPa.s
環境溫度:液晶型-20℃~+85℃
指針型-20℃~+100℃
連接形式:標準型:HG20592標準法蘭;衛生型卡盤;螺紋或者按照要求訂制
特殊型:由用戶指定的任意標準法蘭或螺紋
電纜接口:M20×1.5
供電電源:標準型:24VDC二線制4~20mA(10.8VDC~36VDC )
交流型:85~265VAC 50HZ
電池型:3.6V@4AH鎳氫電池
報警輸出:上限或下限瞬時流量報警
標準型:集電極開路輸出(最大100mA@30VDC內部阻抗100 歐)
特殊型:繼電器輸出(觸點容量最大5A@250VAC)
脈沖輸出:累積脈沖輸出,最小間隔50毫秒
液晶顯示:瞬時流量顯示數值范圍:0~50000
累計流量顯示數值范圍:0~99999999
防護等級:IP65
防爆標志:隔爆型ExdⅡCT6(防爆證書編號:CNEx23.2895X)
五、金屬管浮子流量計不同口徑對應的流量參數:
| 通徑(mm) | 流量范圍 | 壓力損失kPa | |||
| 水L/h | 空氣m³/h | 常規型 | 防腐型 | ||
| 常規型 | 防腐型 | 常規型,防腐型 | |||
| DN15 | 2.5~25 | --- | 0.07~0.7 | 6.5 | 5.5 |
| 4.0~40 | 2.5~25 | 0.11~1.1 | 6.5 | 5.5 | |
| 6.0~60 | 4.0~40 | 0.18~1.8 | 6.6 | 5.6 | |
| 10~100 | 6.3~63 | 0.28~2.8 | 6.6 | 5.6 | |
| 16~160 | 10~100 | 0.40~4.0 | 6.8 | 5.8 | |
| 25~250 | 16~160 | 0.7~7.0 | 7.2 | 6.1 | |
| 40~400 | 25~250 | 1.0~10 | 8.6 | 7.3 | |
| 60~600 | 40~400 | 1.6~16.0 | 11.1 | 7.3 | |
| DN20 | 40~400 | 40~400 | 0.7~7.0 | 8.6 | 6.1 |
| 60~600 | 60~600 | 1.2~12 | 11.1 | 7.3 | |
| 100~1000 | 100~1000 | 1.8~18 | 11.1 | 7.3 | |
| DN25 | 100~1000 | 60~600 | 3~30 | 7.0 | 5.9 |
| 160~1600 | 100~1000 | 4.5~45 | 8.0 | 6.0 | |
| 250~2500 | 160~1600 | 7~70 | 10.8 | 6.8 | |
| 400~4000 | 250~2500 | 11~110 | 15.8 | 9.2 | |
| DN32 | 160~1600 | 160~1600 | 3.0~30 | 8.0 | 6.0 |
| 250~2500 | 250~2500 | 5.0~50 | 10.8 | 6.8 | |
| 400~4000 | 400~4000 | 7.5~75 | 15.8 | 9.2 | |
| 600~6000 | 600~6000 | 16.5 | 12.0 | ||
| DN40 | 500~5000 | --- | 12~120 | 8.0 | 6.5 |
| 600~6000 | ---- | 16~160 | 11.0 | 6.8 | |
| DN50 | 630~6300 | 400~4000 | 18~180 | 8.1 | 6.8 |
| 1000~10000 | 630~6300 | 25~250 | 11.0 | 9.4 | |
| 1600~16000 | 1000~10000 | 40~400 | 17.0 | 14.5 | |
| DN65 | 1200~12000 | 1200~12000 | 18~180 | 8.2 | 6.9 |
| 1600~16000 | 1600~16000 | 30~300 | 8.2 | 6.9 | |
| 2500~25000 | 2500~25000 | 37~370 | 15.5 | 11.9 | |
| DN80 | 2500~25000 | 1600~16000 | 60~600 | 8.1 | 6.9 |
| 4000~40000 | 2500~25000 | 80~800 | 9.5 | 8.0 | |
| DN100 | 6000~60000 | 4000~40000 | 100~1000 | 15.0 | 8.5 |
| DN125 | 10000~100000 | 10000~100000 | 300~3000 | 42.0 | 38.5 |
| 12500~125000 | 12500~125000 | 45.0 | 42.0 | ||
| DN150 | 20000~100000 | 10000~100000 | 600~3000 | 45.0 | 42.0 |
| 30000~150000 | 25000~125000 | 60.0 | 58.0 | ||
|
代號
|
測量管結構
|
|||||||
|
ZH-LZ50
|
下進上出
|
|||||||
|
ZH-LZ51
|
下進上橫出
|
|||||||
|
ZH-LZ52
|
下橫進上橫出
|
|||||||
|
ZH-LZ53R
|
水平安裝-右進左出(無襯四氟)
|
|||||||
|
ZH-LZ53L
|
水平安裝-左進右出(無襯四氟)
|
|||||||
|
代號
|
接液材質
|
|||||||
|
R1
|
1Cr18Ni9Ti
|
|||||||
| R2 | 316L | |||||||
|
RP
|
304+PTFE
|
|||||||
|
代號
|
管道口徑
|
|||||||
|
DN15
|
15
|
|||||||
| DN20 | 20 | |||||||
|
DN25
|
25
|
|||||||
| DN32 | 32 | |||||||
| DN40 | 40 | |||||||
|
DN50
|
50
|
|||||||
| DN65 | 65 | |||||||
|
DN80
|
80
|
|||||||
|
DN100
|
100
|
|||||||
| DN125 | 125 | |||||||
|
DN150
|
150
|
|||||||
|
DN200
|
200
|
|||||||
|
代號
|
附加結構
|
|||||||
|
無
|
|
|||||||
|
T
|
夾套型
|
|||||||
|
Z
|
阻尼型
|
|||||||
|
G
|
高溫型
|
|||||||
|
Y
|
高壓型
|
|||||||
|
代號
|
指示器形式代碼組合
|
|||||||
|
M1
|
就地指示器,機械指示瞬時流量
|
|||||||
|
M2
|
供電型,機械指示瞬時流量,液晶顯示瞬時/累積流量
|
|||||||
|
M3
|
供電型,無機械指示,液晶顯示瞬時/累積流量
|
|||||||
|
代碼
|
供電方式
|
|||||||
|
無
|
只限M1指示器
|
|||||||
|
A
|
220VAC,4~20mA輸出
|
|||||||
|
B
|
電池供電,無輸出
|
|||||||
|
C
|
24VDC,二線制供電,4~20mA輸出
|
|||||||
|
D
|
24VDC,三、四線制供電,4~20mA輸出
|
|||||||
|
代號
|
表頭
|
|||||||
|
l
|
方型殼體
|
|||||||
|
d
|
圓殼體(隔爆)
|
|||||||
|
代號
|
報警或脈沖輸出
|
|||||||
|
無
|
無報警或脈沖輸 出
|
|||||||
|
K1
|
上限報警或脈沖輸出
|
|||||||
|
K2
|
下限報警或脈沖輸出
|
|||||||
|
K3
|
上、下限報警或脈沖輸出
|
|||||||
七、金屬管浮子流量計選型及安裝注意事項: