金屬管浮子流量計選擇與安裝要點介紹
發布時間:2026-02-09 ???
瀏覽次數:
金屬管浮子流量計適用于小口徑和低流速介質流量測量,有就地顯示型和智能遠傳型兩類,智能遠傳型帶有指針顯示、液晶顯示瞬時/累積流量,標準的二線制4~20A電流輸出和HART通訊等多種形式,根據測量管安裝方式的不同.金屬管浮子流量計測量的流體的流向為下進上出、下進上橫出、下橫進上橫出、左進右出、右進左出的安裝方式.可根據用戶不同要求選擇不同的測量管安裝形式。

為了保證金屬管浮子流量計正常工作并達到要求的測量精度.一般應注意以下幾點:
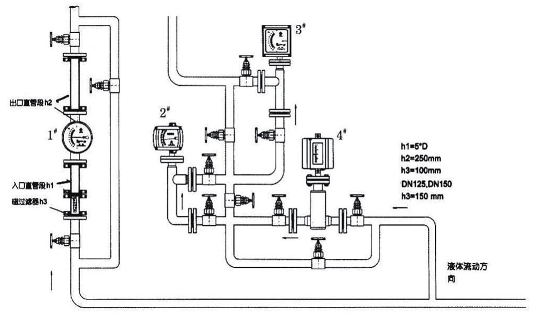
•儀表的上下游管道應與儀表的口徑相同,連接法蘭或螺紋應與儀表的法蘭或螺紋匹配,儀表上游直管長度h應保證是儀表公稱口徑的5倍.下游直管段長度不少于250mm。
•金屬管浮子流量計垂直安裝時,流體自下而上流過流量計,且垂直度優于2°.水平安裝時水平夾角優于2°
•安裝在工藝管線上的金屬管浮子流量計應加旁路.以便處理故障或吹洗時不影響生產:
•如果介質中含有鐵磁性物質應安裝磁過濾器:
•如果介質中含有固體雜質.應考慮在閥門和直管段之間加裝過濾器:
•當用于氣體測量時.應保證管道壓力不小于5倍流量計的壓力損失.以使浮子穩定工作:
•如果被測介質的溫度高于220℃或流體溫度過低易發生結晶時.需采取隔熱保護措施時.應選用夾套型.以便進行冷卻或保溫:
•管道法蘭,緊固件、密封墊與流量計法蘭標準相同才能使儀表正常安裝運行:
•該產品一般在裝置正常運行后.不需要維護,故障多發生在裝置剛剛啟動時.由于管道吹洗不干凈.而發生浮子被固體顆??ㄗ‖F象.此時指示器的指針停在一位置不動。這時首先應關閉流量計兩邊的閥門.然后拆下上法蘭,取出浮子進行清洗,再重新裝好。注意緊固法蘭螺母要平衡擰緊.并墊好墊片:
•為了避免由于管道引起的流量計變形.工藝管線的法蘭必須與流量計的法蘭同軸并且相互平行.適當地管道支撐以避免管道振動和減小流量計的軸向負荷。測量系統中控制閥應安裝在流量計的下游:
•由于儀表是通過磁耦合傳遞信號的.所以為了保證儀表的性能.安裝周圍至少10cm處.不允許有鐵磁性物質存在:
•測量氣體的儀表.是在特定壓力下校準的.如果氣體在儀表的出口直接排放到大氣.將會在浮子處產生氣壓降,并引起數據失真。如果是這樣的工況條件.應在儀表的出口安裝一個閥門:
•帶有液品顯示的儀表.安裝時要盡量避免陽光直射顯示器,以免降低液品使用壽命。
•安裝PTFE襯里的儀表時,要特別小心。由于在不均勻壓力的作用下,PFE會變形所以法蘭螺母不要隨意不對稱擰得過緊.以避免損壞PTFE襯層。